Configure Now
Articulos en tu carro de compras0
0Articulos en tu carro de compras
Comienza a creando su paqueteCompra Ahora
🔗 NEW CASE STUDY: Using ROVs for Submerged Nuclear Asset Inspections at Dominion Energy




El IMAGENEX 852 agrega la habilidad de navegar con poca visibilidad e identificar estructuras grandes en aguas turbias hasta 50 metros de distancia. Aguas turbias o cuerpos de agua abiertos y grandes pueden presentar desafíos únicos para la navegación de un ROV bajo el agua. Use un dique o un buque como referencia en la pantalla de su sonar para mantener su orientación o como objetivo hacia al que navegar.
Error al agregar el artículo para cotizar
Se agregó a la cotización
Escaneo de 360 grados
Excelente para navegación
Rango de 50m
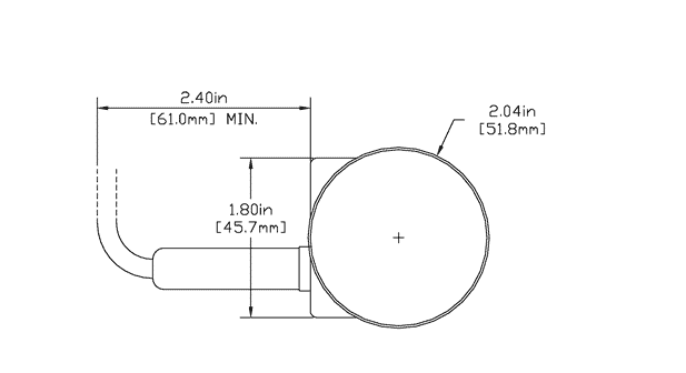
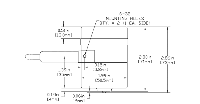
Sonar de escaneo mecánico de haz simple Imagenex 852

Este sonar ayuda a equipos de búsqueda y rescate o a operaciones de inspección, ya sea permitiéndoles ver dónde se encuentra una estructura grande como un dique en relación con usted o al ver un objetivo de búsqueda ubicado en el centro en relación con usted (algunos clientes ponen una jaula para perro en una cuerda para marcar el centro de un área de búsqueda para que un sonar lo identifique)

Para tuberías y túneles sumergidos, puede montar el sonar de barrido mecánico Imagenex 852 en la parte trasera de su ROV REVOLUTION y usarlo para ver los niveles de ovalidad y sedimentación de la tubería mientras conduce por al medio de esta.
Usamos cookies para reunir información acerca de cómo interactúa con nuestro sitio web para mejorar y personalizar su experiencia. Consulte nuestra Política de privacidad para obtener más información acerca del uso de las cookies.